
伺服电动缸是将伺服电机与丝杠一体化设计的模块化产品,
将伺服电机的旋转运动通过丝杆转换成直线运动,同时将伺服
电机最佳优点精确转速控制、精确转数控制、精确扭矩控制转
变成精确速度控制、精确位置控制、精确推力控制,实现高精
度直线运动系列的全新革命性产品。 1、锻造铝合金/高合金钢外壳:耐腐蚀性、轻便防氧化、高强度
2、高合金钢/SUS304活塞杆:耐腐蚀性、高强度、防锈、耐磨
3、传动方式:滚珠丝杆、滚柱丝杆 、梯形螺杆
4、防护等级:IP65 (特需要求可定制)
5、安装便捷、简易维护、节能防污、低噪音、高响应



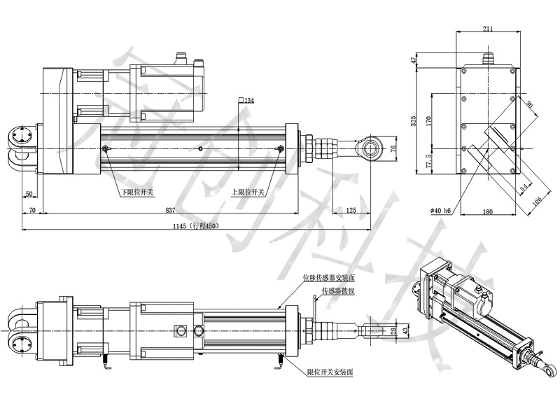
| 型号 | BGC134-006 |
| 推力 | 38KN |
| 速度 | 111mm/s |
| 行程 | 450mm |
| 安装方式 | 双片尾铰+杆端关节轴承 |
| 备注 | 所有参数可根据客户要求定制 |
